Optical Parameters:
| Focal Length(EFL) | 250mm | f Number (f#) | 2.0 |
| Wavelength Range | 3~3.5 micro | Detector | 640x512-15micro, cooled |
| FOV | 2.2°x1.67° | Coating | AR |
| Average Transmittance | >86% | Working Temperature Range | -30℃~50℃ |
| Minimum Working Distance | 15mm | Distortion | Maximum D-FOV Distortion:<3% |
Mechanical Parameters:
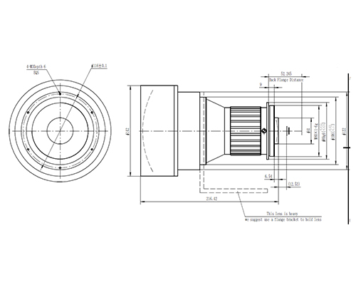
| Dimensions | Length:216.42, Diameter:Ф142 | Focus Mechanism | Internal Manual Focusing |
| Sealing | IP54 | Mount | M80x1-6g Back Flange Distance: 52.245 |
| Housing Material | Aluminum, Black anodized | Operation Temperature | -30℃~ +55℃ |
| Storage Temperature | -50℃~ +70℃ | Weight | / |
250mm f/2.0 manual focus lens module is compliant with cooled FPA detectors ( InSb Focal Plane Arrays ) of 640x512-15μm, operating at the MWIR wavelength range 3.5~5.0μm. The lens module is optimized for high transmission, superior MTF and low distortion. The sealing grade of the housing is IP54. Modifications of the parameters could be arranged upon your request.
Drawing:

Testing Results and Curves:
1. MTF@33lp/mm

2. Field Curvature and Distortion

3.Relative Illumination

4.Vignetting
