Optical Parameters:
| Focal Length(EFL) | 50mm | f Number (f#) | 2.0 |
| Wavelength Range | 3.7~4.8 micro | Detector | 640x512-15micro |
| FOV | 10.97°x8.78°(14.02°) | Coating | DLC+AR |
| Average Transmittance | >81% | Working Temperature Range | -40℃ ~ +50℃ (Need not to refocus) |
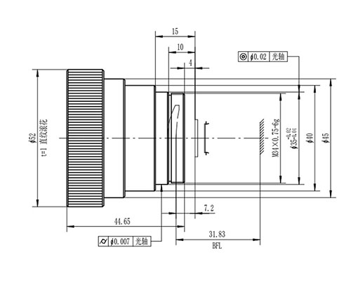
| Maximum Diameter | 44mm | Overall Optical Length | 69.54mm |
| BFL | 31.96mm (7.33mm in air, 24.63mm in detector) | Distortion | <5% |
50mm f/2.0 athermalized lens module is complaint with cooled FPA detectors ( InSb FPA Focal Plane Arrays) of 640x512-15μm, operating at MWIR wavelength range 3.7-4.8micro. It is optical passive athermalized for aversion of thermal defocus at temperatures from -40℃ to +50℃, and is optimized with exceptional MTF and low distortion. For more details, please refer to the following data sheet and curves. Modifications of the parameters could be arranged upon your request.
Testing Results and Curves:
1. MTF@33lp/mm



2. Spot Diagram



3. Field Curvature and Distortion

4. Relative Illumination

5. Vignetting
