click me!

Объективы MWIR для тепловизионных камер с непрерывным зумом и диафрагмой f/5,5 от 15 до 300 мм, для охлаждаемого детектора

Code: 313-002

Inquire Us  

Optical Parameters:

Focal Length 15mm to 300mm Calculated Average Transmission >81%
F/# 5.5 Operating Temperature Range -40℃ to +60℃
Operating Wavelength Range 3.7μm to 4.8μm Minimum Focus Range 1m/5m
Coating on Front Surface Exposing to Air AR Distortion(Diagonal FOV) <3.5% / <1%

 

Mechanical Specifications:

Focusing Mechanism Motorized Installation Way Flange
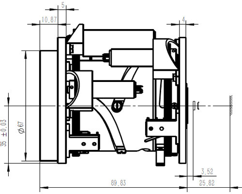
Weight 650g Back Working Distance (B.W.D) 25.82mm
Materials of Lens Housing Anodized aluminium Connector Refer to drawing
Max. Dimensions (Diameter x Length) ɸ99x89.83 Sealing grade IP67

 

Electronics:

Zoom, Focus Mechanism DC gear motor control Zoom, Focus Position Feedback Potentiometer
Zoom, Focus Driving Voltage 12V DC

 

FOV-Sensor Size:

FOV(H X V) 320x256 640x512
15μm   35.5° to 1.83°
30μm 35.5° to 1.83°  
15~300 мм
М-Зум-15/F5.5-300/F5.5
5.5
Моторизованный
Запросить
2 месяца
650г