Optical Parameters:
| Focal Length | 18mm to 275mm | F/# | 5.5 |
| Operating Temperature Range | -40℃ to +60℃ | Working Wavelength Range | 3.0μm to 5.0μm |
| Coating on Front Surface Exposing to Air | AR |
Mechanical Specifications:
| Focusing Mechanism | Motorized | Weight | ~218g |
| Lens Housing Material | Black Anodized Aluminum | Max. Dimensions (Diameter x Length) | Refer to Drawing |
Electronics:
| Zoom, Focus Mechanism | DC gear motor control | Zoom, Focus Position Feedback | Encoder |
| Zoom, Focus Driving Voltage | 12V DC |
FOV-Sensor Size:
| FOV | 640X512-15μm |
| H-FOV | 29.8° to 2.0° |
| V-FOV | 24.0° to 1.6° |
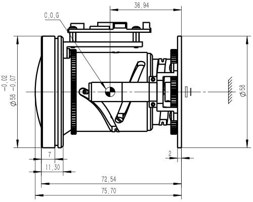
1. Drawing:
