click me!

Атермальные объективы 100 мм f/1,5 для LWIR

Code: 301-036

Inquire Us  

Optical Property

Focal Length 100mm F/# 1.5
Operating Wavelength Range 8μm to 12μm Coating on Front Surface Exposing to Air AR
Calculated Average Transmission >88% Operating Temperature Range -40℃ to +60℃
Focus Range 10m to infinite Distortion (Diagonal FOV) <2%

 

Mechanical Property

Focusing Mechanism fixed Weight /
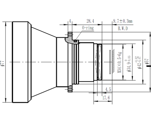
Materials of Lens Housing Anodized aluminium Max. Dimensions (Diameter x Length) Φ77x85.68
Installation Way Screw thread connection Back Working Distance (B.W.D) 9.7mm
Connector M34x0.5-6g Sealing Grade IP67

 

FOV(H X V) 160x120 320x240 384x288 640x480 1024x768
12μm 1.1°x0.8° 2.2°x1.7° 2.6°x2° 4.4°x3.3° 7°x5.3°
17μm 1.6°x1.2° 3.1°x2.3° 3.7°x2.8° 6.2°x4.6° 9.9°x7.4°
25μm 2.3x1.7° 4.6°x3.4° 5.5°x4.1° 9.1°x6.9°
100мм
Л100Ф1.5
1.5
Атермальный
Запросить
5-6 недель