Optical Parameters:
| EFL | 50mm | F/# | 1.2 |
| Operating Wavelength Range | 8μm to 12μm | Detector | 1024x768-17μm |
| FOV | 19.7°x14.8° | External Coating | AR |
| Average Transmittance | >90% | Working Temperature | -40°~80°(Need not to refocus) |
| Minimum Working Distance | 3m~infinity | Distortion | Maximum H-FOV Distortion:1.7% |
| Spurious Reflection | No | MTF@Center, After Tolerance | 0.36 @30lp/mm 0.58 @15lp/mm |
| MTF@ 0.8 Field, After Tolerance | 0.24 @30lp/mm |
Mechanical Properties:
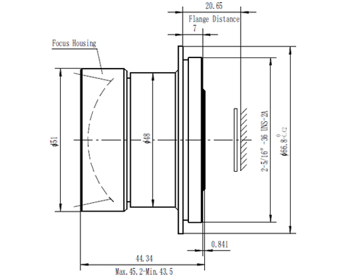
| Dimensions | Length:44.34,Diameter:Ф51 | Sealing | IP67 |
| Mount | 2-5/16”-36 UNS-2A | Back Working Distance | 20.65 |
| Housing Material | Aluminum, Black anodized | Operation Temperature | -40°~ +80° |
| Storage Temperature | -55°~ +85° | Weight | / |
Testing Results and Curves:
1. 20°MTF(@29lp/mm)

2. -40°MTF(@29lp/mm)

3. 80°MTF(@29lp/mm)

4. 20°Field curvature and distortion
5. Vignetting

6. Relative Illumination
