click me!

Атермальные линзы 7,1 мм f/1,0 для LWIR

Code: 301-002

Inquire Us  

Optical Property

Focal Length 7.1mm F/# 1.1
Operating Wavelength Range 8μm to 12μm Coating on Front Surface Exposing to Air DLC
Calculated Average Transmission >81% Operating Temperature Range -40℃ to +60℃
Focus Range 0.2m to infinite Distortion (Diagonal FOV) <50%

 

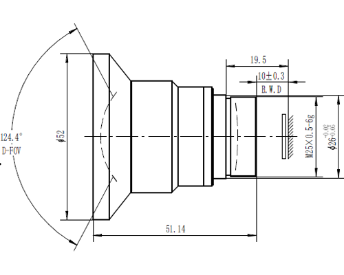
Mechanical Property

Focusing Mechanism fixed Weight /
Materials of Lens Housing Anodized aluminium Max. Dimensions (Diameter x Length) ɸ52x51.14
Installation Way Screw thread connection Back Working Distance (B.W.D) 10mm
Connector M25x0.5-6g Sealing Grade IP67

 

FOV(H X V) 160x120 320x240 384x288 640x480 1024x768
12μm 15.4°x11.6° 30.8°x23.2° 37.0°x27.8° 62.7°x46.4°  
17μm 21.9°x16.4° 43.8°x32.8° 52.8°x39.4° 90.0°x66.0°  
25μm 32.0°x24.1° 65.6°x48.4° 80.0°x58.6°  
7.1мм
Л7.1Ф1.0
1.0
Атермальный
Запросить
5-6 недель