click me!

Атермальные линзы 75 мм f/1,0 для LWIR

Code: 301-030

Inquire Us  

Optical Parameters

Focal Length 75mm F Number(#) 1.0
Wavelength Range 8~12 micro FOV 8.3°x6.2°
Focus Justifying Range ∞~5M Coating DLC and AR
Average Transmission 80% Working Temperature -40℃ ~ +60℃
MTF at Axis >0.55@20lp/mm MTF at Maximum FOV >0.45@20lp/mm

 

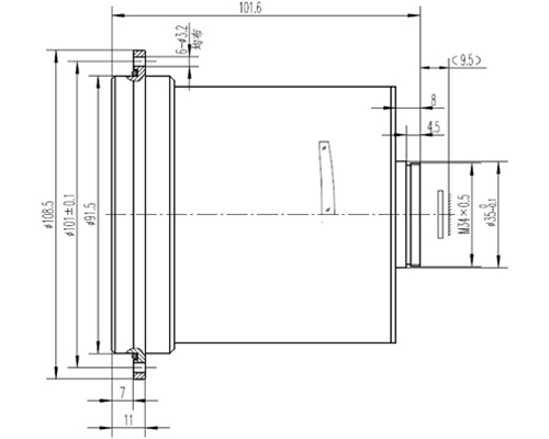
Mechanical Parameters

Mechanical Connection M34x0.5 Focus Mechanism Athermalized
Flange Back Distance 17.5mm

It is a mechanical athermalized lens module, with 75mm focal length and f number of 1.0 and compact in size.

75мм
Л75Ф1.0
1.0
Атермальный
Запросить
5-6 недель