click me!

Атермальные линзы 95 мм f/1,5 для LWIR

Code: 301-033

Inquire Us  

Optical Property

Focal Length 95mm F/# 1.5
Operating Wavelength Range 8μm to 12μm Coating on Front Surface Exposing to Air AR
Calculated Average Transmission >88% Operating Temperature Range -40℃ to +60℃
Focus Range 7m to infinite Distortion (Diagonal FOV) <2%

 

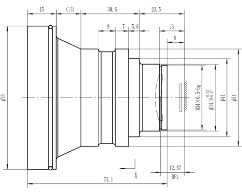
Mechanical Property

Focusing Mechanism fixed Weight /
Materials of Lens Housing Anodized aluminium Max. Dimensions (Diameter x Length) Φ75x73.1
Installation Way Screw thread connection Back Working Distance (B.W.D) 9mm
Connector M34x0.5-6g Sealing Grade IP67

 

FOV(H X V) 160x120 320x240 384x288 640x480 1024x768
12μm 1.2°x0.9° 2.3°x1.7° 2.8°x2.1° 4.6°x3.5°  
17μm 1.6°x1.2° 3.3°x2.5° 3.9°x2.9° 6.5°x4.9°  
25μm 2.4x1.8° 4.8°x3.6° 5.8°x4.3°  
95мм
Л95Ф1.5
1.5
Атермальный
Запросить
5-6 недель