click me!

Зум-объективы от 25 до 75 мм f/1,0 для тепловизионной камеры LWIR

Code: 305-006

Inquire Us  

Optical Property

Focal Length 25mm to 75mm Calculated Average Transmission >84%
F/# 1.0 Operating Temperature Range -40℃ to +60℃
Operating Wavelength Range 8μm to 12μm Minimum Focus Range 1m/7m
Coating on Front Surface Exposing to Air DLC Distortion (Diagonal FOV) <3.5% to 1%

 

Mechanical Property

Focusing Mechanism Motorized Installation Way Flange
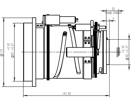
Weight / Flange Focal Distance 20mm
Materials of Lens Housing Anodized aluminium Connector Refer to drawing
Max. Dimensions   (Diameter x Length) ɸ115x143.82 Sealing Grade IP67

 

Electronic Property

Zoom, Focus Mechanism DC gear motor control Zoom, Focus Position Feedback Potentiometer
Zoom, Focus Driving Voltage 12V DC

 

FOV(H X V) 640x480 1024x768
12μm 17.5° to 5.9°  
17μm 24.6° to 8.3°  
25μm    
25~75 мм
L-Zoom-25/F1.0-75/F1.0непрерывный
1.0
Моторизованный
Запросить
7-8 недель